在上篇教程中,我们使用xelega3D完成了阀的主体部分零件设计操作,在本篇课程将继续完成剩余部分设计,并对零件进行进一步装配和渲染,以完成整个设计课程。下面,我们开始阀设计的下半节课程学习。
第一步,在下图圆柱体端面上创建一个圆柱体,半径为14mm,长度为22mm,和原造型进行布尔加运算,如图1所示。
图1 创建圆柱体-1
第二步,在下图圆柱体端面上创建一个圆柱体,半径为17.5mm,长度为5mm,和原造型进行布尔加运算,如图2所示。

图2 创建圆柱体-2
第三步,对下图5个边进行0.5mm的倒圆角,如图3所示。
图3 倒圆角-1
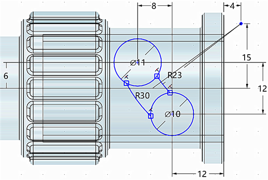
第四步,在下图端面上创建草图,绘制草图进行全约束后退出草图,参数如图4所示。
图4 绘制草图-1
第五步,对上步草图进行拉伸,长度为42mm,和原造型进行布尔减运算,如图5所示。
图5 拉伸
第六步,在XZ工作平面上创建草图,绘制下图草图,全约束后退出草图,详细参数如图6所示。
图6 绘制草图-2
第七步,对上步草图进行拉伸,拾取三个封闭区域轮廓,类型为对称,穿过所有,布尔运算为减运算,如图7所示。
图7 拉伸对称
第八步,对上步拉伸所产生孔内部的8个边进行3mm的倒圆角,完成Valve Fitting零件的设计,退出零件,如图8所示。
图8 倒圆角-2
第九步,新建一个名称为Valve的装配,插入零件Valve_Fitting,位置在零位,固定组件,如图9所示。
图9 插入零件
第十步,插入零件Insert,将Insert和Valve_Fitting进行同心约束,再进行重合约束,如图10所示。
图10 约束-1
第十一步,插入零件Needle,将Needle和Valve_Fitting进行同心约束,再进行重合约束,如图11所示。
图11 约束-2
第十二步,对Insert添加铬材质,钢材质,铜材质,然后保存文件,如图12所示。
图12 添加材质-1
第十三步,启动KeyShot,选择等角标准视图,如图13所示。
图13 启动KeyShot
第十四步,移动模型位置,沿Y轴旋转-80°,如图14所示。
图14 移动模型
第十五步,找到下图材质,并给零件Valve_Fitting和Needle添加该材质,如图15所示。
图15 添加材质-2
第十六步,找到下图材质,给零件Insert添加该材质,如图16所示。
图16 添加材质-3
第十七步,使用下图背景,得到效果,保存渲染文件及文件包,如图17所示。
图17 渲染文件
现在,通过xelega3D进行阀自下而上设计和渲染课程就全部完成了。希望通过本课程的学习,大家可掌握xelega3D中多种回转体的建模方式、基本装配以及装配渲染等操作技巧,大家后续可以设计出更多类型的阀,在xelega3D软件中发掘出更多设计技巧。
马上下载xelega3D2017版,体验智能设计,让创意无极限:http://www.zw3d.com.cn/product-58-1.html
移动CAD://www.xelega.com/product/yidong.html
CAD培训://www.xelega.com/peixun/
· 全国金奖大满贯选手 | 一名机械专业职校生的坚持2025-11-26
· luck18网址+生态再结硕果,与高佳科技达成战略合作,赋能流程工业自主创新2025-11-26
· “xelega软件工程师(xelega3D)”认证全球首发,推动制造业3D人才能力体系升级2025-11-25
· 硬核设计!中国力量正在向上2025-11-21
· 数字赋能 · 智造引领丨xelega潍坊制造业数字化转型专题沙龙成功举办2025-11-13
· xelega软件出席通明湖信创论坛,以自主核心技术驱动新型工业化发展2025-11-12
· 战略合作丨浙江华展×xelega软件,打造建筑设计行业数字化转型最佳实践2025-11-04
·玩趣3D:如何应用xelega3D,快速设计基站天线传动螺杆?2022-02-10
·趣玩3D:使用xelega3D设计车顶帐篷,为户外休闲增添新装备2021-11-25
·现代与历史的碰撞:阿根廷学生应用xelega3D,技术重现达·芬奇“飞碟”坦克原型2021-09-26
·我的珠宝人生:西班牙设计师用xelega3D设计华美珠宝2021-09-26
·9个小妙招,切换至luck18网址竟可以如此顺畅快速 2021-09-06
·原来插头是这样设计的,看完你学会了吗?2021-09-06
·玩趣3D:如何巧用xelega3D 2022新功能,设计专属相机?2021-08-10
·如何使用xelega3D 2022的CAM方案加工塑胶模具2021-06-24
·CAD中如何绘制出等距线?2022-05-31
·CAD只能在布局看见图形,在模型空间看不到2015-12-04
·CAD绘制舞厅沙发2022-10-25
·CAD合并命令的使用技巧2021-01-14
·CAD如何将块内对象改为0图层且颜色随层2025-11-20
·CAD工具栏怎么还原?2018-01-11
·CAD中关于命令执行的技巧(二)2017-09-11
·CAD绘制多线命令——如何绘制住宅墙体2019-08-15