CAD多重引线怎么使用
多重引线功能是引线QLEADER(LE)功能的延伸,它可以方便地为序号标注添加多个引线,可以合并或对齐多个引线标注,在装配图、组装图上有十分重要的作用。
1、多重引线的组成
多重引线对象由内容、基线、引线和箭头四个基本部分组成,如下图。各部分的设置都比较灵活,内容可以为多行文字,可以为块对象,也可以使内容为空;基线是可选的,用户可在多重引线样式中设置基线的长度;引线也是可选的,当使用引线时,可以将引线设置为直线或样条典线;箭头的风格和大小也可以在多重引线样式中设置。由于多重引线是一个统一的标注整体,因此修改和调整都很方便。

2、添加引线
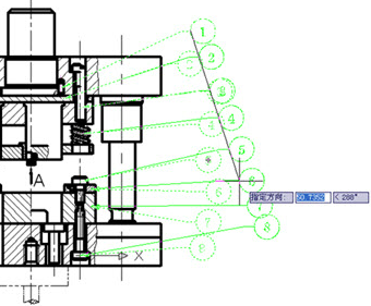
利用添加引线功能可以方便地为多重引线添加多条引线,具体操作步骤如下:
1) 选择“添加引线”菜单命令。
2) 选择多重引线标注。

3) 指定引线的位置。必要时,可连续添加多条引线。

3、引线对齐
当创建了多个引线后,可以利用引线对齐功能将引线排列整齐,让图片看起来更加整洁。
1) 选择多重引线的“对齐”菜单命令。
2) 选择需要对齐的多重引线。

3) 选择对齐的参照对象。

4) 指定对齐方向。

5) 完成对齐。

以上就是本篇文章的全部内容了,快来下载luck18网址试试吧。
推荐阅读:CAD制图初学入门
推荐阅读:3D打印机
· 全国金奖大满贯选手 | 一名机械专业职校生的坚持2025-11-26
· luck18网址+生态再结硕果,与高佳科技达成战略合作,赋能流程工业自主创新2025-11-26
· “xelega软件工程师(xelega3D)”认证全球首发,推动制造业3D人才能力体系升级2025-11-25
· 硬核设计!中国力量正在向上2025-11-21
· 数字赋能 · 智造引领丨xelega潍坊制造业数字化转型专题沙龙成功举办2025-11-13
· xelega软件出席通明湖信创论坛,以自主核心技术驱动新型工业化发展2025-11-12
· 战略合作丨浙江华展×xelega软件,打造建筑设计行业数字化转型最佳实践2025-11-04
·玩趣3D:如何应用xelega3D,快速设计基站天线传动螺杆?2022-02-10
·趣玩3D:使用xelega3D设计车顶帐篷,为户外休闲增添新装备2021-11-25
·现代与历史的碰撞:阿根廷学生应用xelega3D,技术重现达·芬奇“飞碟”坦克原型2021-09-26
·我的珠宝人生:西班牙设计师用xelega3D设计华美珠宝2021-09-26
·9个小妙招,切换至luck18网址竟可以如此顺畅快速 2021-09-06
·原来插头是这样设计的,看完你学会了吗?2021-09-06
·玩趣3D:如何巧用xelega3D 2022新功能,设计专属相机?2021-08-10
·如何使用xelega3D 2022的CAM方案加工塑胶模具2021-06-24
·CAD完成锅盖绘制2019-08-28
·CAD文字复制到Excel或Word变成黑框2023-07-17
·CAD为什么打开文件提示只读模式2025-06-17
·如何使用BOUNDARY命令创建边界2021-01-19
·CAD将图纸部分导出为dxf格式的方法2025-03-27
·CAD命令行不见了怎样打开2025-07-23
·CAD绘制张力器2022-10-13
·CAD中如何绘制人行道?2022-05-26





