使用CAD需要我们了解基本的功能然后比较好的去练习相关的绘制,才能更好的提升自己CAD的使用能力。
1.我们打开luck18网址2018

2.然后新建我们的文件,

3.在开始正式绘图之前,我们需要做好一些准备工作,先要建立好图层,粗实线,中心线,虚线等,然后根据图纸确定线的粗细。

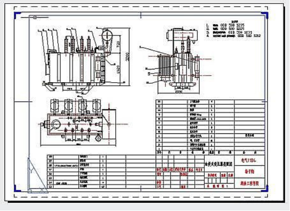
4.我所绘制的是《油浸变压器装配图》,图纸分为三个部分,左视图、主视图和俯视图。我先画的是油浸式变压器俯视图。

5. 我发现它的散热片由四个同样的部分组成于是我使用了外部块(按W进入构建块的模式,选择基准点和对象,修改保存文件名字即可。)来构造。
6. 同样主视图和左视图也有同样的结构我也使用了外部块来画。
构建好外部块以后选择插入中的块来插入。
7.其他部分则由圆、直线、倒角的镜像、平移、修剪等工具来实现,不懂的地方通过询问同学和百度来查找,最终画好各视图后便如下图。

8.书写部件技术参数和保存即可(如下图)

推荐阅读:CAD的三维立体剖切图的绘制方法
推荐阅读:CAD手机版
· 全国金奖大满贯选手 | 一名机械专业职校生的坚持2025-11-26
· luck18网址+生态再结硕果,与高佳科技达成战略合作,赋能流程工业自主创新2025-11-26
· “xelega软件工程师(xelega3D)”认证全球首发,推动制造业3D人才能力体系升级2025-11-25
· 硬核设计!中国力量正在向上2025-11-21
· 数字赋能 · 智造引领丨xelega潍坊制造业数字化转型专题沙龙成功举办2025-11-13
· xelega软件出席通明湖信创论坛,以自主核心技术驱动新型工业化发展2025-11-12
· 战略合作丨浙江华展×xelega软件,打造建筑设计行业数字化转型最佳实践2025-11-04
·玩趣3D:如何应用xelega3D,快速设计基站天线传动螺杆?2022-02-10
·趣玩3D:使用xelega3D设计车顶帐篷,为户外休闲增添新装备2021-11-25
·现代与历史的碰撞:阿根廷学生应用xelega3D,技术重现达·芬奇“飞碟”坦克原型2021-09-26
·我的珠宝人生:西班牙设计师用xelega3D设计华美珠宝2021-09-26
·9个小妙招,切换至luck18网址竟可以如此顺畅快速 2021-09-06
·原来插头是这样设计的,看完你学会了吗?2021-09-06
·玩趣3D:如何巧用xelega3D 2022新功能,设计专属相机?2021-08-10
·如何使用xelega3D 2022的CAM方案加工塑胶模具2021-06-24
·CAD标注特征比例如何调整2019-12-17
·如何快速方便的修改CAD图2017-06-19
·CAD面域功能作用2024-12-10
·CAD中如何标注样式输出与输入2016-07-26
·CAD如何使用快速标注创建一个并列标注2020-12-10
·CAD布局的相关知识2017-09-07
·CAD如何合并线条?2022-04-14
·CAD怎样对线段进行定数等分2016-08-12




