在实际工作中,设计师在使用3D软件画完零件后,通常都要把3D图转化成2D平面工程图。而在xelega3D中,三维建模技术与二维绘图可轻易实现转换,可以将零件、装配环境中生成的各类零件、装配件等实体进行投影,从而生成二维工程图。
本节课程我们将学习在xelega3D中,如何通过轴承座底座的三维模型生成轴承座底座的工程图。
第一步,打开轴承座.Z3文件,进入零件属性,然后切换到物理页面,并打开材料属性,选择材料Steel-cast后更新物理属性,如图1所示。

图1 物理属性参数
第二步,进入2D工程图,使用A3国标机械工程图模板,打开图层,创建技术要求、标注和视图图层,并设置颜色和线宽,如图2所示。

图2 图层参数-1
第三步,拾取技术要求、标注和视图图层,把图层类别指定为工程图,设置文字、线性标注、角度标注、半径标注和直径标注的样式属性,如图3所示。

图3 图层参数-2
第四步,将当前图层切换到视图图层,创建标准视图,拾取底座零件,投影顶视图,投影比例为1:1,确定投影位置,生成顶视图投影,如图4所示。

图4 投影生成
第五步,双击视图打开视图属性,关闭显示消隐线,消隐线被隐藏,切换到线条页面,拾取切线,忽略线型,如图5所示。

图5 视图属性
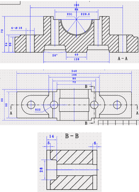
第六步,相切线设置不再显示,使用全剖视图,生成顶视图的A-A全剖视图,如图6所示。

图6 全剖视图生成-1
第七步,拾取A-A全剖视图,进入视图属性,切换到线条页面,拾取切线,忽略线型,相切线设置不再显示,创建B-B全剖视图,如图7所示。

图7 全剖视图生成-2
第八步,拾取全剖视图,进入视图属性,切换到线条页面,拾取切线,忽略线型;相切线不再显示,如图8所示。

图8 视图属性
第九步,进入B-B全剖视图的视图属性,切换到标签页,标签设置在视图上方如图2所示。

图9 模板选择
第十步,创建标准视图,选择等轴测视图,调整缩放比例为1:2,创建等轴测视图,如图10所示。

图10 等轴测视图
第十一步,缺省重量的小数位数过多,编辑标题栏,对属性进行编辑,保留小数位数1位,退出标题栏即可使数据发生变化,如图11所示。

图11 数据属性
第十二步,分别对下列视图进行标注,如图12所示。

图12 添加标注
第十三步,对视图添加文字,如图13所示。

图13 添加文字
至此,使用xelega3D零件三维图生成零件工程图课程也就完成了,相信本次课程对大家实际操作有一定的帮助,从而提升工作效率。
马上下载xelega3D2018版,体验智能设计,让创意无极限:http://www.zw3d.com.cn/special/list-98.html
Z3是什么格式文件:http://www.zw3d.com.cn/blog/201503131763.html

· 全国金奖大满贯选手 | 一名机械专业职校生的坚持2025-11-26
· luck18网址+生态再结硕果,与高佳科技达成战略合作,赋能流程工业自主创新2025-11-26
· “xelega软件工程师(xelega3D)”认证全球首发,推动制造业3D人才能力体系升级2025-11-25
· 硬核设计!中国力量正在向上2025-11-21
· 数字赋能 · 智造引领丨xelega潍坊制造业数字化转型专题沙龙成功举办2025-11-13
· xelega软件出席通明湖信创论坛,以自主核心技术驱动新型工业化发展2025-11-12
· 战略合作丨浙江华展×xelega软件,打造建筑设计行业数字化转型最佳实践2025-11-04
·玩趣3D:如何应用xelega3D,快速设计基站天线传动螺杆?2022-02-10
·趣玩3D:使用xelega3D设计车顶帐篷,为户外休闲增添新装备2021-11-25
·现代与历史的碰撞:阿根廷学生应用xelega3D,技术重现达·芬奇“飞碟”坦克原型2021-09-26
·我的珠宝人生:西班牙设计师用xelega3D设计华美珠宝2021-09-26
·9个小妙招,切换至luck18网址竟可以如此顺畅快速 2021-09-06
·原来插头是这样设计的,看完你学会了吗?2021-09-06
·玩趣3D:如何巧用xelega3D 2022新功能,设计专属相机?2021-08-10
·如何使用xelega3D 2022的CAM方案加工塑胶模具2021-06-24
·CAD如何标注315°的角?2020-04-17
·CAD引线标注快捷键2018-01-09
·CAD如何将直角矩形变成圆角矩形2021-01-20
·CAD如何画二维扳手2016-10-13
·CAD中SHX和TTF字体的区别以及适用的地方2023-12-21
·CAD如何图纸间进行复制粘贴2025-04-11
·如何将CAD图纸打印成黑白的2017-08-25
·CAD中如何用快捷的方法标注零件图2017-10-27