一般情况下,有轴承的地方就要有支撑点,轴承的内支撑点是轴,外支撑就是常说的轴承座。轴承座的结构较为复杂,但主体仍为方块结构,所以在设计建模的过程中,可以通过三维CAD设计软件的拉伸、拉伸切除、倒角等功能来完成整个轴承座的建模设计。
本次小编将向大家介绍xelega3D是如何快速完成轴承座的建模设计的。如图1所示,这是我们接下来即将进行的基本建模思路。首先拉伸出模型主体,然后通过“拉伸切除”和“倒角”等操作来完成模型的创建。此外,在创建本实例草图的过程中也会用到镜像和阵列实体等功能。

图1 绘制轴承座的主要流程
下面,我们一起来看看具体的操作步骤:
第一步:绘制草图并拉伸
1、新建一“零件”类型的文件后,单击草图按钮,选择XY平面,进入草图绘制。
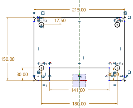
2、单击绘图按钮,绘制如图2所示绘制中心线和线框。单击草图工具栏中圆角按钮,在图3所示位置添加半径为10mm的圆角。

图2 绘制轴承座基本线框

图3 轴承座基础线框倒圆角
3、单击草图工具栏中圆按钮,在与下部缺口水平线的位置绘制一个直径为12mm的圆,在绘制好的圆的圆心竖直方向,且离顶部线17.5mm处绘制一个直径为12mm的圆。单击草图工具栏镜像按钮,选择绘制好的圆,再选择中心线为镜像线,镜像出两个圆,如图4所示。

图4 绘制镜像圆操作
4、单击草图工具栏中的阵列按钮,选择上方两个圆为基体,方向向下,数目为2个,距离为40mm。如图5所示。

图5 执行阵列操作
5、退出草图,点击造型工具栏拉伸按钮,选择所绘制的草图拉伸一个厚度为30mm的实体,如图6所示。

图6 基体拉伸效果
6、在实体底部平面绘制如图7a所示草图,单击拉伸按钮,拉伸出一个厚度为75mm的实体,如图7b所示。

第二步:拉伸切除和圆角处理
1、单击草图按钮,选择实体背面为平面,选择预制草图中“槽”,绘制如图8a所示两个槽(可先绘制出一个槽然后镜像出另外一个槽),然后进行完全贯通的拉伸切除操作,如图8b所示。

2、在如图9所示的平面绘制一个直径为140mm的圆(以右侧实体圆弧为圆心),并进行到指定面的拉伸切除操作。

图9 圆拉伸切除操作
3、在竖向拉伸体的两个面上分别绘制草图(与实体圆弧同圆心、同大小的圆),向两侧实行拉伸操作,拉伸距离为5mm,如图10a所示,然后选择拉伸出的实体的边线,执行倒角距离为5mm的“倒角”操作,如图10b所示。

4、在实体底部平面绘制一个直径为18mm的圆,并向上拉伸146mm,创建实体,再单击造型工具栏中圆角按钮,设置圆角角度为1,如图11所示。

图11 创建顶部“油孔”台体的操作
第三步:孔洞处理
1、在竖向实体绘制圆,执行拉伸切除操作,竖直圆的直径为63mm,拉伸切除深度为完全贯穿,如图12所示。

图12 拉伸切除操作
2、单击造型工具栏孔按钮,选择顶部凸台圆心同心,绘制一个螺纹孔,最终完成整个模型创建,如图13所示。

图13 创建顶部油孔后完整模型
经过了上述的操作,我们即可完成轴承座的快速建模操作。轴承座的型号根据所搭配的轴承不同,或者根据企业的收录情况不同,都会多种类、多样式的轴承,通过xelega3D的建模操作,工程师即可快速地完成所需的轴承座的设计,并把常用的型号通过xelega3D进行归类入档整理,方便后续的二次利用,做到高效、专业。
马上下载xelega3D 2016版,享受高效灵活的设计体验:http://www.zw3d.com.cn/product-58-1.html
Z3是什么格式文件:http://www.zw3d.com.cn/blog/201503131763.html
更多详情,欢迎访问xelega3D官方网站:www.zw3d.com.cn
· 全国金奖大满贯选手 | 一名机械专业职校生的坚持2025-11-26
· luck18网址+生态再结硕果,与高佳科技达成战略合作,赋能流程工业自主创新2025-11-26
· “xelega软件工程师(xelega3D)”认证全球首发,推动制造业3D人才能力体系升级2025-11-25
· 硬核设计!中国力量正在向上2025-11-21
· 数字赋能 · 智造引领丨xelega潍坊制造业数字化转型专题沙龙成功举办2025-11-13
· xelega软件出席通明湖信创论坛,以自主核心技术驱动新型工业化发展2025-11-12
· 战略合作丨浙江华展×xelega软件,打造建筑设计行业数字化转型最佳实践2025-11-04
·玩趣3D:如何应用xelega3D,快速设计基站天线传动螺杆?2022-02-10
·趣玩3D:使用xelega3D设计车顶帐篷,为户外休闲增添新装备2021-11-25
·现代与历史的碰撞:阿根廷学生应用xelega3D,技术重现达·芬奇“飞碟”坦克原型2021-09-26
·我的珠宝人生:西班牙设计师用xelega3D设计华美珠宝2021-09-26
·9个小妙招,切换至luck18网址竟可以如此顺畅快速 2021-09-06
·原来插头是这样设计的,看完你学会了吗?2021-09-06
·玩趣3D:如何巧用xelega3D 2022新功能,设计专属相机?2021-08-10
·如何使用xelega3D 2022的CAM方案加工塑胶模具2021-06-24
·CAD命令行的透明度怎么调2023-10-17
·怎样显示隐藏文件和文件扩展名2017-02-13
·CAD怎样加载.NET开发的插件2025-07-16
·CAD怎么设置弧长标注的标记?2021-05-21
·CAD如何设置系统单位?2021-03-23
·CAD机械版怎样提取图形轮廓2025-09-29
·CAD中如何根据参照来缩放图形比例2017-11-09
·CAD机械版如何计算重量和体积2024-06-25