在瓶子设计的上篇教程中,我们已经学会了如何用xelega3D进行瓶身的建模设计,那么本文将继续延续上篇的内容,向大家介绍下如何用xelega3D,完成整个瓶子的设计工作。
如下图所示,这就是上篇中我们所获得的瓶身效果。

图1 瓶身的效果图
那么接下来我们将继续后续的细节设计工作:
第一步:斑马线检测
使用“分型面”进行斑马线的曲面检查。

图2 斑马线曲面检查的效果图
第二步:抽壳
抽壳厚度为“-1mm”。

图3 抽壳效果图
第三步:瓶口倒圆角
倒圆0.2mm

图4 倒圆角效果图
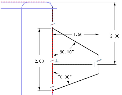
第四步:螺牙草图
以工作平面“XZ”为基准面创建螺牙草图,具体尺寸如下图:

图5 螺牙草图
第五步:瓶口螺纹
瓶口的螺纹在这个设计里是一个难点,尤其是螺纹的收尾,使用xelega3D,可以一个命令全部完成这些设计操作。
使用螺牙草图创建瓶口螺纹。
匝数:4
距离:-5
半径:10mm

图6 创建螺纹的设置界面

图7 螺纹创建效果
第六步:肩部草图
以工作平面“XZ”为基准面创建肩部草图,具体尺寸如下图。

图8 创建肩部草图
第七步:肩部旋转
使用肩部草图创建肩。

图9 肩的创建效果
第八步:肩部倒圆
倒角0.2mm

图10 肩部倒圆效果
第九步:材质贴图
使用“鉻”命令,选择文件夹下的JEPG图片“display1”。

图11 根据display1贴图后的效果
第十步:背景贴图
启用“背景图片”,选择文件夹内的“Ground.bmp”,“显示方式”选择为“延伸”。

图12 背景图片设置界面
经过上述的各项步骤,即可获得我们教程开始时所展示的瓶子效果了。

图13 完成瓶子设计
通过这两篇实例教程的解析,相信大家对使用xelega3D进行瓶子设计,以及设计过程中涉及到的相关思路、功能点的作用等,都有新的认识,希望能对大家有所帮助。
关注xelega3D官网的【实例教程】模块,即可下载本实例的操作视频以及对应的练习文档,快来学习吧:http://www.zw3d.com.cn/service/list-109.html
三维CAD设计软件xelega3d免费下载:http://www.zw3d.com.cn/product-58-1.html
· 全国金奖大满贯选手 | 一名机械专业职校生的坚持2025-11-26
· luck18网址+生态再结硕果,与高佳科技达成战略合作,赋能流程工业自主创新2025-11-26
· “xelega软件工程师(xelega3D)”认证全球首发,推动制造业3D人才能力体系升级2025-11-25
· 硬核设计!中国力量正在向上2025-11-21
· 数字赋能 · 智造引领丨xelega潍坊制造业数字化转型专题沙龙成功举办2025-11-13
· xelega软件出席通明湖信创论坛,以自主核心技术驱动新型工业化发展2025-11-12
· 战略合作丨浙江华展×xelega软件,打造建筑设计行业数字化转型最佳实践2025-11-04
·玩趣3D:如何应用xelega3D,快速设计基站天线传动螺杆?2022-02-10
·趣玩3D:使用xelega3D设计车顶帐篷,为户外休闲增添新装备2021-11-25
·现代与历史的碰撞:阿根廷学生应用xelega3D,技术重现达·芬奇“飞碟”坦克原型2021-09-26
·我的珠宝人生:西班牙设计师用xelega3D设计华美珠宝2021-09-26
·9个小妙招,切换至luck18网址竟可以如此顺畅快速 2021-09-06
·原来插头是这样设计的,看完你学会了吗?2021-09-06
·玩趣3D:如何巧用xelega3D 2022新功能,设计专属相机?2021-08-10
·如何使用xelega3D 2022的CAM方案加工塑胶模具2021-06-24
·CAD打开无法正确显示用AMEP画的图纸怎么办?2024-01-05
·CAD如何最精准地选择图形技巧(下)2017-08-17
·CAD机械版创建局部详图的方法2024-09-20
·CAD怎么将连续的线打断于某一点?2018-09-18
·CAD如何将图形文字整合为块2016-10-13
·CAD中历史图纸怎么打开2023-07-17
·CAD常用功能:延伸命令EXTEND2021-05-21
·CAD阵列复制对象2021-09-07